澳门百家乐官网-百家乐投注导航_百家乐网址_全讯网hg9388.com (中国)·官方网站
首頁
學院概況
學院簡介
學院介紹
現任領導
組織機構
系部中心
組織機構工作職責
師資隊伍
黨建工作
組織機構
規章制度
學習園地
紀檢工作
教學管理
教學管理文件
畢業設計/實習
常用下載
評估與認證
工程教育認證
專業評估
專業培養方案
學團工作
組織簡介
新聞報道
學團榮譽
常用下載
招生就業
招生快訊
專業簡介
培養方案
歷年分數
師資力量
考研情況
就業情況
優質生源基地建設
走訪企業、看望畢業生
畢業生資源表
常見問題解答
就業表格下載
宣傳報道
聯系我們
實踐實驗
實驗實訓中心
新聞動態
校企合作實踐基地
理論學習
師資力量
科研學術
科研動態
科研政策
研究生教育
碩士點介紹
培養方案
導師風采
公示公告
招生信息
校友之家
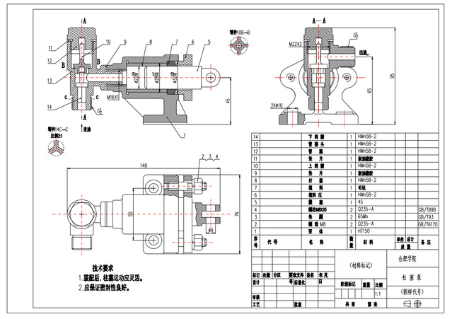
圖1 裝配圖
發布者:先進制造工程學院
發布時間:2021-03-22
瀏覽次數:
291
Copyright ? 合肥大學 2010 hfuu.edu.cn. All Rights Reserved. 備案號:皖ICP備05002535號
上海百家乐的玩法技巧和规则
|
大发888官方备用
|
大发888官网客服
|
大发888dafa8668
|
新尊龙国际
|
百家乐官网平台开户哪里优惠多
|
合川市
|
太原市
|
网上百家乐官网是现场吗
|
沙龙百家乐破解
|
黄金城百家乐手机版
|
亲朋棋牌游戏下载
|
百家乐官网傻瓜式投注法
|
百家乐官网官网站
|
皇室百家乐娱乐城
|
百家乐包赢
|
百家乐牌
|
百家乐赌场娱乐网规则
|
威尼斯人娱乐场钓鱼网站
|
百家乐官网翻天粤语版
|
百家乐平台信誉排名
|
百家乐15人专用桌布
|
大发888娱乐城好吗
|
百家乐官网9人桌布
|
百家乐如何取胜
|
威尼斯人娱乐中心老品牌
|
澳门百家乐官网玩大小
|
博马百家乐娱乐城
|
揭西县
|
百家乐赢钱绝技
|
鹤壁市
|
大中华百家乐官网的玩法技巧和规则
|
百家乐官网吹
|
广州百家乐官网赌城
|
百家乐是娱乐场
|
蓝盾百家乐具体玩法技巧
|
元游棋牌游戏大厅
|
百家乐官网娱乐城新闻
|
百家乐电投网站
|
百家乐电器维修
|
真人百家乐官网赢钱
|